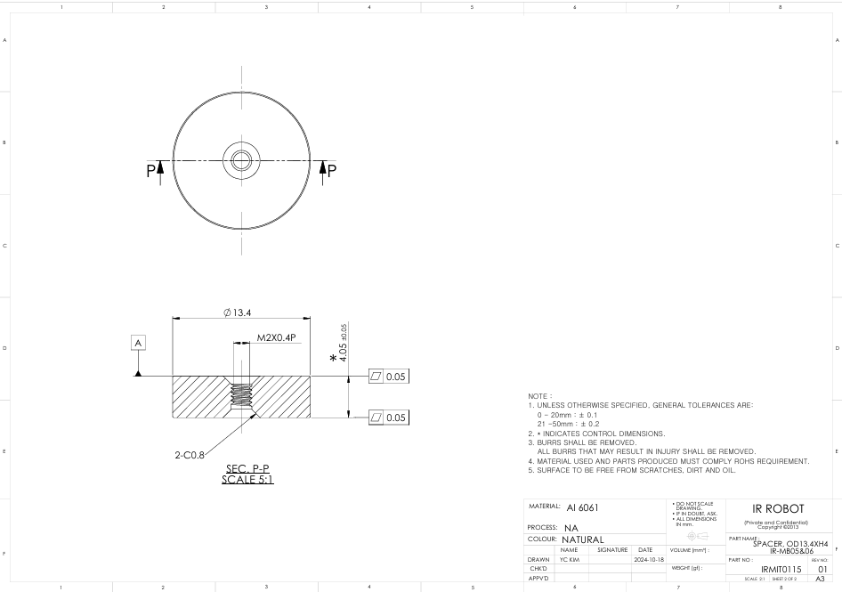
IR-MB05 Drawing
[IR-MB05] Metal bracket 3D / 2D drawings (for 17Lf series 27mm stroke only) - For LATERAL mounting
Here are 3D(STEP)/2D.dxf) drawings for the metal bracket IR-MB05 which is dedicated for 17Lf series, 27mm stroke actuators' LATERAL mounting.
Note: Product Compatibility by Bracket Model
- IR-MB02: Lateral mounting bracket for 22mm, 26mm, 27mm stroke actuators of 12Lf, L12, D12, D7, 12L, 12D series
- IR-MB03: Dedicated bracket for 40~96mm stroke actuators of 12Lf, L12 series
- IR-MB04: Vertical mounting bracket for 22mm, 26mm, 27mm stroke actuators of 12Lf, L12, D12, D7, 12L, 12D series
- IR-MB05: Lateral mounting bracket for 27mm stroke actuators of 17Lf series
- IR-MB06: Vertical mounting bracket for 27mm stroke actuators of 17Lf series
- IR-MB07: Dedicated bracket for 37, 50, 87mm stroke actuators of 17Lf series
MB-05 Drawing Unit : mm
MB-05 Bracket Upper
MB-05 Bracket Lower

Download :
Download :