Skip to content
Technical Resource Center
Search
K
Main Navigation
HOME
Actuator
12Lf Series
17Lf Series
D7,D12,L12
Limit Switch
Accessories
Board
- EZ Controller
- USB Interface
- UART Interface
Mount
Wire
Rodend Tips
Software
Total Manager
mightyZAP Home
한국어
English
한국어
English
Appearance
Menu
Return to top
On this page
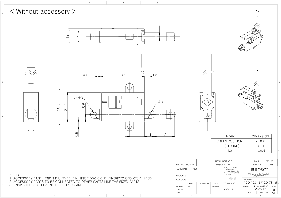
12D Nano Limit Switch Drawings
# 12D Nano Limit Switch Unit : mm
Download
PDF
STEP
DXF
# 12D Nano Limit Switch : Inch
Download
PDF
STEP
DXF