[IR-MB06] 메탈 브라켓 3D / 2D 도면 (17Lf 시리즈 27mm stroke제품 전용) - 수평장착용
메탈 브라켓 IR-MB06의 3D(STEP) / 2D.dxf)도면 입니다. IR-MB06는 17Lf 시리즈 전용 27mm stroke제품을 위한 "수직장착" 브라켓입니다.
브라켓 모델별 제품 호환성
- IR-MB02 : 12Lf, L12, D12, D7 , 12L, 12D 시리즈 22mm, 26mm, 27mm stroke제품의 수평장착 브라켓
- IR-MB03 : 12Lf, L12 시리즈의 40~96mm stroke제품의 전용 브라켓
- IR-MB04 : 12Lf, L12, D12, D7 , 12L, 12D 시리즈 22mm, 26mm, 27mm stroke제품의 수직장착 브라켓
- IR-MB05 : 17Lf 시리즈 27mm stroke제품의 수평장착 브라켓
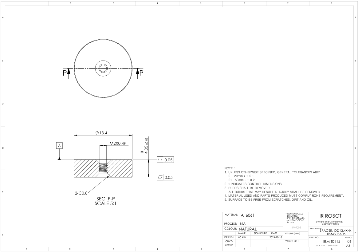
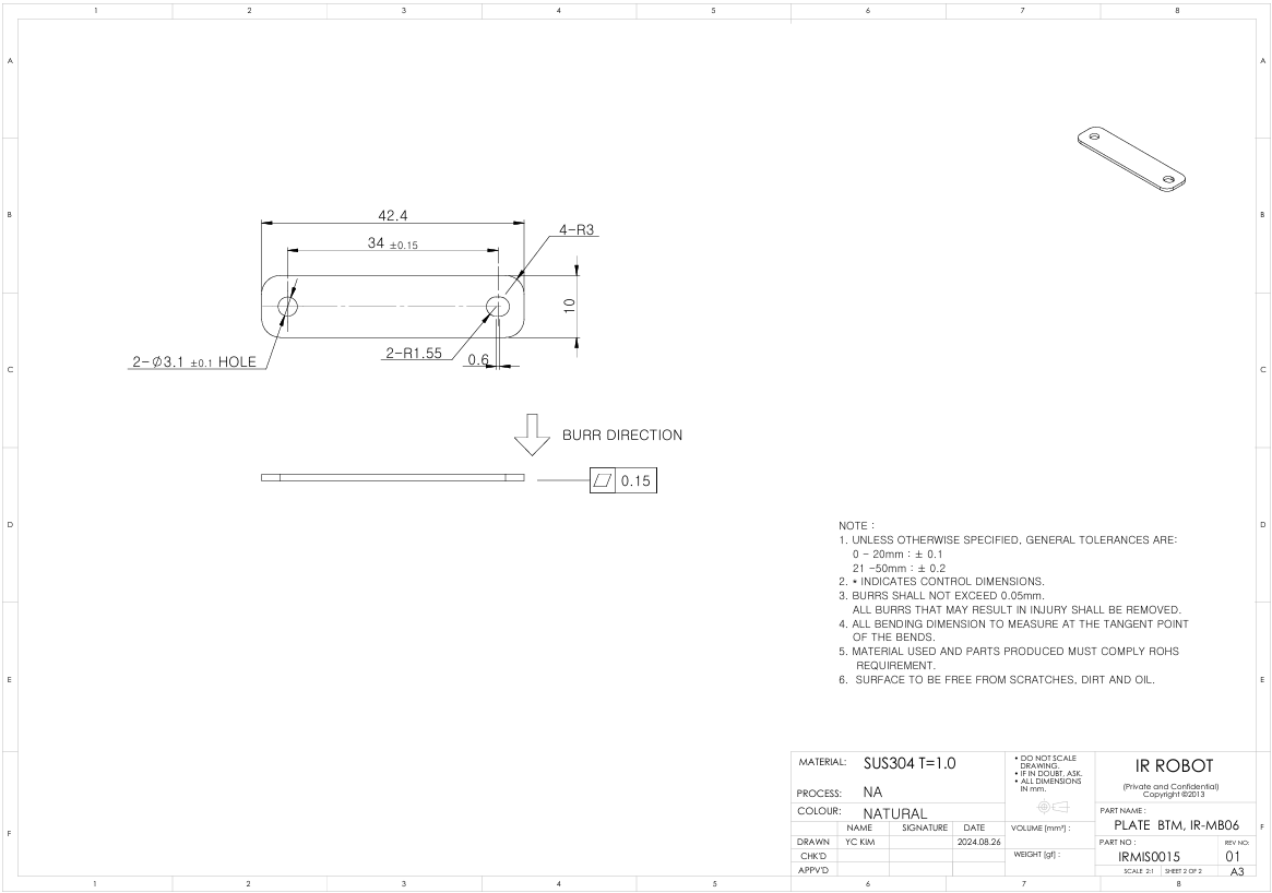
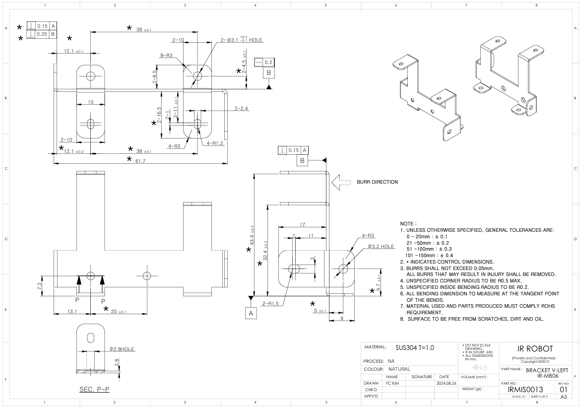
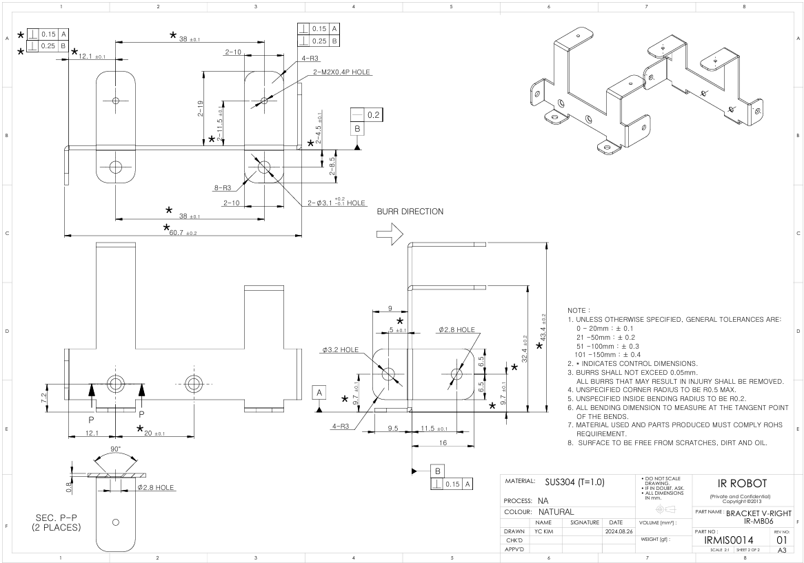
- IR-MB06 : 17Lf 시리즈 27mm stroke제품의 수직장착 브라켓
- IR-MB07 : 17Lf 시리즈 37, 50, 87mm stroke제품의 전용 브라켓
MB-06 Drawing Unit : mm
MB-06 V-LEFT
**Download** PDF dxf STEP MB-06 V-RIGHT
**Download** PDF dxf STEP MB-06 PLATE BTM
**Download** PDF dxf STEP MB-06 SPACER
