Skip to content

GT01 drawing

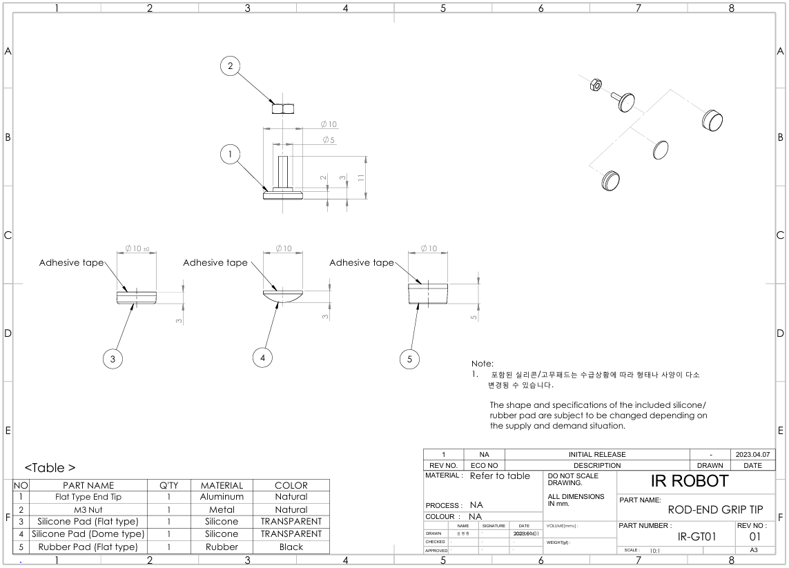
[도면 IR-GT01] Rod End Grip Tip 2D/3D 도면

실리콘/고무패드의 치수는 실제제품과 다소 오차가 있을 수 있으며 시장 수급상황에 따라 재질 및 사이즈가 변동될 수 있음을 알려드립니다.

참고용으로만 사용하여 주십시오. (2023년 4월 7일 업데이트)

Drawing File Unit : mm

rodendgriptipDownload : PDF STEP