EB01 Drawing
1. IR-EB01 Rod End Bearing 도면(2D/3D)
migthyZAP의 양단을 IR-EB01, end bearing으로 고정할 수 있는 IR-EB01의 2D 도면(PDF,.dxf), 3D 도면(STEP)입니다. 3D 도면의 경우 M2.5, M.30 규격별로 별도의 도면이 있으니 참고하십시오. (1 set IR-EB01 = 1 x M2.5 end bearing + 1 x M3.0 end bearing)
EB01 Rod End Bearing Unit : mm

Download PDF STEP(M3.0) STEP(M2.5) dxf
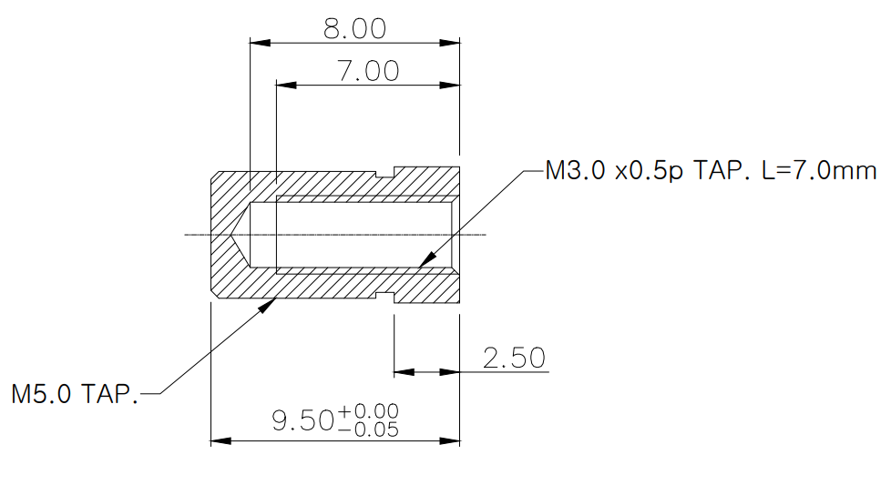
Rod end Nut Unit : mm
Here is the drawing for the Rod end nut (M3)which is attached on the end of Rod.
Its specification is M3.0x5P, 7mm depth.
Download